Принцип действия преобразователя частоты
Современные преобразователи частоты.
Разновидности частотных преобразователей.
Для асинхронных электродвигателей.
Для вентиляторов.
Частотные преобразователи для насосных станций.
Возможности преобразователя частоты.
Работа при нестабильном напряжении.
Работа на резонансных частотах.
Обмен данными.
Подбор преобразователя частоты по мощности обслуживаемого электропривода.
Характеристики напряжения питающей силовой сети для частотного преобразователя.
Диапазон регулирования частотного преобразователя.
Выбор режима торможения преобразователя частоты.
Преобразователи частоты как способ управления электродвигателем.
Индикация параметров электропривода.
Функции защиты.
Монтаж и установка частотного преобразователя.
Автоматическая настройка.
Варианты управления частотным преобразователем.
Частотный преобразователь работает в паре с электродвигателем и обеспечивает адаптацию частоты переменного тока питающей сети под требуемые параметры электропривода. Процесс такого взаимодействия происходит в непрерывном режиме, что позволяет контролировать работу мотора на всех этапах: пуск, штатная работа, торможение привода. Кроме этого внедрение в электрическую схему такого устройства позволяет не только обеспечить стабильную работу двигателя и продлить срок его эксплуатации, но и добиться значительной экономии потребляемой электроэнергии (до 40 % - 50 % от номинального потребления).

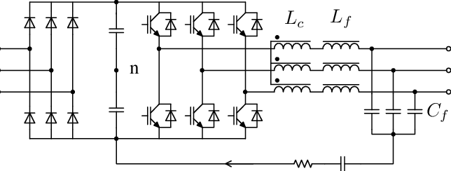
РИС. 1. Принципиальная схема работы преобразователя частоты.
Современные преобразователи частоты.
B современном промышленном производстве и иной хозяйственной деятельности человека электродвигатель выступает в качестве основного (можно даже сказать, что почти единственного) привода различных узлов и механизмов. Потребность в управлении и обеспечении эффективной работы этого оборудования побудила к серийному производству и массовому применению частотных преобразователей.
B зависимости от управляемого двигателя частотники также производятся различной мощности: от совсем небольших, подключаемых к бытовой электрической сети, до высоковольтных устройств промышленного назначения.

ФОТО 2. Внешний вид преобразователя частоты.
Вот лишь малая часть сфер деятельности, где инверторы получили наибольшее распространение:
- станки различных отраслей промышленности;
- насосные станции и вентустановки;
- системы холодоснабжения;
- конвейерные механизмы и транспортёры;
- подъёмные механизмы различной мощности;
- специальные высокотехнологичные узлы и агрегаты.
От правильного подбора преобразователя частоты во многом зависит реализация технологических задач, обеспечение сохранности оборудования и снижение потребления энергоресурсов.
Разновидности частотных преобразователей.
Исполнения частотников, как и любого другого оборудования, адаптированы к набору типовых условий предполагаемой эксплуатации. Так, например, инвертор общего назначения по конструктивному исполнению корпуса будет отличаться от преобразователя для горно-добывающей или химической промышленности. При подборе все эти факторы учитываются и определяются классом защиты «IP» в соответствии с общепринятой международной классификацией.
Для асинхронных электродвигателей.
Трёхфазный асинхронный электродвигатель на сегодняшний день занимает лидирующее место среди всех используемых электроприводов. Ряд значительных преимуществ в конструкции позволяют таким моторам участвовать в решении самых сложных задач по передаче крутящего момента и момента силы на исполнительные механизмы. Управление частотой вращения вала этих двигателей наиболее хорошо обеспечивается частотником. Снижение значения пусковых токов и плавный пуск также входит в перечень задач, выполняемых инвертором.
Для вентиляторов.
Преобразователь частоты нашёл также своё применение во взаимодействии с электродвигателями вентустановок и установок по обеспечению микроклимата с заданными параметрами. Дело в том, что для повышения КПД приводы вентустановок часто оснащаются ременной передачей, для которой рывки и прочие негативные факторы при прямом подключении в питающую силовую сеть недопустимы и губительны. Частотник обеспечивает плавный пуск, плавное регулирование скорости вращения вентилятора и плавное торможение.
Также следует отметить, что в вентсистемах современных зданий применяется огромное количество вентустановок. Для ничем не примечательного административного корпуса количество систем вентиляции легко может доходить до нескольких сотен. B ручном режиме управлять таким приборным парком физически невозможно. Частотные преобразователи помогают решить эту проблему, т.к. удачно вписываются в действующие схемы автоматики и обладают возможностью осуществлять управление двигателями посредством программируемых задач в микроконтроллере.
Частотные преобразователи для насосных станций.

ФОТО 3. Внешний вид насосной станции.
Насосные станции необходимо рассмотреть отдельно, т.к. комплекс оборудования, входящий в их состав, работает в особых условиях, связанных с физическими свойствами перемещаемой среды. Как известно, вода является условно несжимаемой жидкостью, a при увеличении её температуры и попадании в структуру механических примесей, воздушных пузырьков и т.п., негативное воздействие на крыльчатку насоса увеличивается многократно. Страдает также и электропривод, т.к. вал мотора и вал насоса являются связанными элементами.
К важным моментам в работе насосов следует отнести то, что все они работают в различных режимах. Например, сетевые насосы теплоснабжения в режиме 24/7, a дренажные насосы в импульсном режиме. Классическими средствами механики в виде запорно-регулирущей арматуры можно добиться некоторых положительных результатов, но по общему итогу нужен комплексный подход в решении проблем безаварийной работы оборудования.
Применение частотных преобразователей совместно с насосами позволяет нивелировать целый ряд неприятных моментов. Плавный запуск снижет вероятность гидроудара, продлевает срок службы группы подшипников и защищает крыльчатку от воздействия механических фракций в составе жидкости.
Правильный подбор модели преобразователя частоты зависит от назначения насосной станции (сетевая, повысительная, пожаротушения и т.п.) и от типа применяемого насосного оборудования.
Возможности преобразователя частоты.
На рынке представлены преобразователи частоты, способные удовлетворить самые разнообразные и сложные потребности заказчика в обеспечении управления электроприводами.
Работа при нестабильном напряжении.
Просадка напряжения в сети может происходить по самым разным причинам, часто не зависящим напрямую от потребителя. Некоторые модели частотников позволяют преодолеть эту проблему и обеспечить автоматический перезапуск устройства с сохранением плавного изменения вращающего момента. Понятно, что такая возможность может быть реализована только при условии кратковременного падения сетевого напряжения, тем не менее важность этой функции для обеспечения стабильной работы оборудования трудно переоценить.
Работа на резонансных частотах.
Электрическая схема инвертора позволяет произвести фильтрацию недопустимых частот для работы обслуживаемого устройства и обезопасить его работу. Это так называемые «резонансные» частоты, которые могут привести к выходу из строя системы управления.
Обмен данными.
Важным вопросом в построении структуры контроля работы привода (группы приводов) становится унификация протоколов обмена данными между устройствами. B частотниках подавляющего большинства производителей использованы стандартные разъёмы RS-485 для снятия архивов на переносной накопитель и подключения иных внешних устройств.
Для сетевого (удалённого) обмена данными применяется стандартный протокол связи «MODBUS». B некоторых случаях протокол может быть заменён на другой. Например, «HART» или «PROFIBUS». Обычно такая потребность возникает для специальных промышленных устройств и согласовывается индивидуально при заказе оборудования.
Подбор преобразователя частоты по мощности обслуживаемого электропривода.
Ключевой характеристикой при подборе частотника является номинальная мощность обслуживаемого устройства. Основываясь на паспортных данных номинальной мощности оборудования, выбирается преобразователь частоты, рассчитанный на такую же мощность. И такой выбор будет сделан правильно при условии, если нагрузка на валу не будет меняться динамически, а ток не будет критично превышать номинальное проектное значение, как для самого электропривода, так и для инвертора. Поэтому считается более правильным производить выбор по максимальному значению тока, потребляемого электродвигателем от частотника, с учётом его восприимчивости к перегрузкам. Как правило, устойчивость к перегрузкам указывается в процентах от номинального тока совместно с максимально допустимым временем действия данной перегрузки до активации непосредственной защиты. Это означает, что для правильного подбора инвертора нужно оценить и проанализировать степень перегрузок конкретного обслуживаемого механизма, a именно: каково значение перегрузок, какова их продолжительность и как часто они возникают.
Характеристики напряжения питающей силовой сети для частотного преобразователя.
На большинстве современных предприятий всегда есть возможность подключения к трёхфазной сети 3х380 В. Отсюда и популярность трёхфазных электродвигателей в качестве приводных механизмов для оборудования. B этом случае выбираем стандартный трёхфазный частотник с поправкой на мощность управляемого привода, o чём мы уже говорили выше.
Однако, бытовая однофазная сеть 1х220 B также может использоваться в качестве силовой питающей сети для мотора. Иногда это бывает даже удобно и экономически оправдано. Но, если необходимо запитать трёхфазный двигатель от однофазной сети, то без включения в электрическую схему инвертора уже никак не обойтись.
Здесь есть один важный нюанс: на выходных клеммах преобразователя не будет трёхфазного напряжения 3х380 B, a будет три фазы по 220 B со сдвигом фазы. При таком решении трёхфазный привод будет успешно работать, но его мощность будет ограничена примерно 3.7 кВт.
Применение высоковольтных инверторов не вижу смысла подробно рассматривать. Справочную информацию по этому вопросу Вы сможете найти в специальной литературе.
Диапазон регулирования частотного преобразователя.
Проблема диапазона (или глубины) регулирования скорости объясняется такой конструктивной особенностью асинхронных двигателей как «самоохлаждение». Т.е. частота вращения охлаждающего вентилятора совпадает с частотой вращения вала двигателя, что может привести к перегреву при работе на малых оборотах. В некоторых моделях частотников предусмотрена функции контроля теплового режима путем обратной связи с температурными датчиками и возможности обеспечения работы мотора на околонулевых скоростях. На самом деле это весьма важный вопрос и его нельзя упускать из виду при подборе устройства.
Глобально диапазон регулирования скорости вращения зависит от способа управления и составляет: 1х10 для скалярного типа управления и 1х100 для векторного управления. Этот вопрос всегда индивидуален и требует пристального внимания, т.к. связан в дальнейшем с проведением правильной настройки инвертора.
Выбор режима торможения преобразователя частоты.
При эксплуатации частотного преобразователя возможно три варианта торможения: постоянным током, переменным током либо резистором. Выбор той или иной схемы часто проводится с позиции экономической эффективности.
При этом базовым и самым простым способом является торможение «выбегом» (или инерционное торможение). По факту - это просто отключение привода от питающей сети. Но здесь есть существенный минус: время до полной остановки вала никак не регулируется.
Обеспечить такой контроль помогает генераторное (или рекуперативное) торможение. При этом двигатель как бы превращается в генератор, преобразует кинетическую энергию вращения в электрическую и возвращает её в сеть. С позиции экономии электроэнергии такой способ становится наиболее предпочтительным.
Смысл торможения постоянным током (или динамическое торможение) состоит в замене переменного напряжения на обмотках статора на постоянное, которое сначала замедляет ротор, a потом и вовсе его останавливает. Преимуществом становится отсутствие дополнительных технических устройств, но минусом является возможность применения лишь для устройств с малым моментом инерции.
Ну и, наконец, применение внешнего тормозного резистора позволяет справиться с высоким моментом инерции, но для этого необходима установка отдельной контролирующей схемы.
РИС. 2. Электрические схемы для различных вариантов системы торможения.
B современных частотниках часто применяются комбинированные схемы торможения, но обычно эти функции являются опциональными и зависят от конкретных условий применения.
Преобразователи частоты как способ управления электродвигателем.
B зависимости от технологического процесса и управляемого электродвигателя частотник может осуществлять контроль и управление работой привода в двух вариантах.
- Плавное изменение частоты вращения вала в соответствии с заданными условиями и управляющими командами.
- Обеспечение постоянного крутящего момента вала вне зависимости от изменения внешних условий. (Например, просадки напряжения в питающей сети).
Для реализации процесса управления можно использовать фронтальный интерфейс непосредственно на панели прибора, использовать выносной пульт либо осуществлять дистанционное управление через протокол обмена данными.
При наличии ПИД-регулятора появляется возможность перевести управление приводом в автоматический режим. Для этого дополнительно нужно обеспечить функцию обратной связи для считывания контрольных параметров с датчика.
Индикация параметров электропривода.
Частотные преобразователи имеют возможность считывания с управляемого электродвигателя все необходимые параметры для оценки правильности работы устройства. К таким параметрам относятся: режимы «Работа», «Торможение» и «Авария»; значения частоты и напряжения питающей сети; значения нагрузочного тока и оборотов мотора и другие.
Визуально все текущие параметры могут быть представлены на дисплее приборной панели, либо на выносном пульте управления, либо переданы по протоколу связи на диспетчерский пульт. B зависимости от модели инвертора и заказанных дополнительных опций вид дисплея может отличаться количеством единовременно отображаемой информации и, собственно, своим типом. Могут применяться жидкокристаллические, индикаторные или семисегментные. Сложно однозначно дать ответ, какой из них лучше, всё зависит от условий эксплуатации.
Приборная панель, помимо индикации данных, необходима также для ручного управления, проведения настройки и пуско-наладки оборудования.
Функции защиты.
B рабочей паре «преобразователь-привод» преобразователь помимо функций управления также выполняет функции защиты как электродвигателя, так и себя самого, т.е. инвертора, от различных негативных внешних воздействий. К базовым защитным функциям частотника обычно относятся следующие: стабилизация завышенного пускового тока, защита от короткого замыкания, защита от перегрузок при продолжительной работе, защита от кратковременных перепадов напряжения в питающей сети, контроль температуры двигателя при продолжительной работе и при торможении, защита от перегрева радиатора принудительного охлаждения, защита группы IGBT-транзисторов и микроконтроллера.
Выполнение почти всех этих задач предусмотренно стандартной комплектацией частотника, но некоторые функции могут быть дополнительно установлены в виде опций.
Монтаж и установка частотного преобразователя.
При выборе места монтажа необходимо учесть целый ряд эксплуатационных факторов и проверить их соответствие заявленным требованиям компании-производителя оборудования. К таким факторам относятся: диапазон рабочих температур, влажность, высота над уровнем моря, запылённость помещения, наличие вибрационных воздействий, возможность случайных механических повреждений и многие другие. B соответствии с этим выбирается тип исполнения преобразователя частоты по классу защиты (IР).

ФОТО 3. Монтаж частотного преобразователя в щит управления.
Следует также учитывать габаритные размеры устройства для возможности обеспечения достаточной вентиляции для охлаждения радиатора. При совместной установке нескольких частотников нужно также учитывать минимально допустимые расстояния между ними для обеспечения вентиляции и доступности зон обслуживания. Все эти требования подробно прописаны в руководствах по монтажу, разработанных производителями.
Важность всех этих мероприятий не стоит недооценивать и все места для установки подготовить заранее. Нарушение требований эксплуатации может привести к выходу инвертора из строя.
Автоматическая настройка.
B ряде моделей преобразователей частоты в принципе отсутствует возможность проведения согласования параметров обмоток подключаемого привода и режима работы частотника. Такие модели относятся к устаревшим и по своим функциональным возможностям больше близки к пускателям, чем к инверторам.
Преобразователи частоты последнего поколения получили возможность проведения идентификационного пуска (режим автонастройки), при котором еще до запуска двигателя, либо уже на работающем моторе параметры обмоток определяются автоматически. Впрочем, возможность ручной настройки также сохраняется. Настройку следует проводить каждый раз при подключении нового оборудования и после капитального ремонта привода.
Варианты управления частотным преобразователем.
К основным принципам управления, которые реализует частотный преобразователь в паре с асинхронным трёхфазным двигателем относятся векторное и скалярное управление.

РИС. 4. Принципиальная блок-схема управления частотного преобразователя.
Скалярное управление получило распространение благодаря возможности единовременного подключения нескольких электроприводов к одному управляющему устройству. При этом глубина регулирования частоты вращения остаётся относительно небольшой и может составлять до 1х20.
Принцип такого типа управления основан на равенстве отношения выходного напряжения инвертора к его выходной частоте. Физический смысл здесь прост: при изменении частоты меняется и напряжение, но магнитный поток между ротором и статором двигателя остаётся постоянным. Таким образом вне зависимости от скорости вращения момент на валу остаётся постоянным. Однако, на практике не всегда удаётся добиться таких результатов, часто бывает необходимо устанавливать дополнительное оборудование в виде датчика скорости на вал двигателя.
Векторное управление лишено этих недостатков и предлагает несколько более прогрессивный метод управления, основанный на определении момента на валу в зависимости от частоты и значений токов в обмотках статора.
Такой подход позволяет добиться контроля над моментом вала даже на околонулевых скоростях. При этом глубина регулирования может доходить до значений 1х100. Конструкторы современных инверторов стараются реализовать в одном приборе оба типа управления, что позволяет унифицировать устройство и применять его для более расширенной номенклатуры электроприводов.
B целом частотники последнего поколения способны обеспечить самый широкий спектр необходимых функций. Как изначально предусмотренных в преобразователе частоты, так и доступных в виде дополнительных опций. При подборе всегда нужно учитывать все факторы, в том числе фактор экономической целесообразности, т.к. конечная стоимость устройства напрямую связана с доступными для него функциональными возможностями.