ПОДКЛЮЧЕНИЕ ТРЁХФАЗНОГО ДВИГАТЕЛЯ
Подавляющее большинство современных машин и механизмов работают с использованием привода от вала электродвигателя. B силу некоторых своих конструктивных преимуществ наибольшее распространение получили асинхронные трёхфазные электродвигатели. Конечно, у них присутствует и ряд минусов, но речь сейчас не об этом.
Предлагаю рассмотреть решение проблемы в том случае, когда нет возможности прямого подключения трёхфазного двигателя, т.к. в качестве питающей сети есть доступ только к однофазной (иначе называемой «бытовой сетью»). Да, действительно, целый ряд приборов и устройств различного назначения успешно работает от бытовой сети 220 В. Но оттого и идёт термин «бытовая», что при её использовании при подключении напрямую, возможна реализация лишь некоторого узкого круга задач, ограниченных бытовыми насущными потребностями. Если на ведущем валу механизма требуется некоторое повышение значений крутящего момента (частоты вращения) и момента силы (нагрузки), то без применения трёхфазного двигателя и, соответственно, трёхфазной питающей сети никак не обойтись.
Не следует рассматривать схемы с применением конденсатора (особенно самодельные!) – это глобально проблему не решит, a может даже усугубить. Более рациональным и безопасным для подключения трёхфазного привода от однофазной сети становится применение частотного преобразователя (частотника). Рассмотрим такую возможность на примере серийно выпускаемой модели «PROSTAR».
Знакомимся с PR6100-0015S2G 1,5 кВт/220В.
Эта модель преобразователя частоты относится к однофазным, что обозначено в индексе как «S2G». Т.е. такой прибор подключается напрямую к бытовой сети с параметрами 220 B, 50 Гц. Тем не менее на выходе инвертора присутствуют три клеммы. Это три фазы по 220 B со сдвигом фазы между ними.
Такой подход становится достаточным для подключения к инвертору трёхфазного электродвигателя мощностью 0.4 кВт – 2.2 кВт. Такие двигатели часто устанавливаются в насосах, вентиляторах и небольших станках. При этом сохранены все плюсы применения частотника: защита двигателя от пускового тока и управление частотой вращения вала.

Собираем электрическую установку.
Прежде чем приступить к работе по подключению системы «частотник-двигатель» необходимо ознакомиться с правилами ПУЭ, приложенными инструкциями к оборудованию и нормами по охране труда.
Для включения-отключения сетевого силового питания применяется ножевой механический рубильник. Обычно устанавливается в РЩ (силовом распределительном щите) и только специалистами с соответствующим допуском. B комплекте с рубильником всегда идёт предохранительный блок из плавких предохранителей, который также устанавливается в РЩ. Классическое местоположение РЩ – это МОП (места общего пользования: коридоры, лобби, специальные технические помещения и т.п.).
Далее, через проводку, проложенную в кабель-каналах через коммуникационные шахты, строительные конструкции, подвалы-чердаки и прочие препятствия, питающее сетевое напряжение поступает от РЩ в ЩУ (щит управления), который уже полностью находится на балансе потребителя.
B ЩУ сразу на вводе кабеля ставится двухполюсный автоматический выключатель. Смысл «двухполюсника» в одновременном отключении сразу обеих линий (фазы и нуля). Далее устанавливаются однополюсные автоматы, которые отвечают за включение-отключение конкретного оборудования в системе электрохозяйства и т.п. Подбор автоматов происходит по номинальному току и должен превышать его значение в три раза. Такой выбор не случаен, a сделан для того, чтобы автомат не срабатывал при повышенных пусковых токах.
Важным элементом является УЗО (устройство защитного отключения). УЗО ставится с целью предотвращения так называемой «утечки тока», т.е. подачи напряжения на металлические корпуса различных изделий. Подключается последовательно к автоматам и состоит из трансформатора с сердечником. Принцип работы УЗО заключается в следующем: при касании человеком участка цепи или металлической детали, которая находится под напряжением (например, из-за нарушения изоляции) происходит уменьшение магнитного потока на обмотках трансформатора, срабатывает реле и электропитание отключается. Это позволяет избежать электротравмы. УЗО целесообразно ставить как раз на однофазных сетях.
B любой электроустановке обязательно присутствие заземляющей шины. Представляет собой металлический брусок из бронзы, приспособленный для крепления. К шине подключаются клеммы с маркировкой «РЕ». Далее происходит подключение к заземляющему контуру. Клемму «N» или «техническую нейтраль» подключать к корпусу прибора категорически нельзя, т.к. она находится под воздействием тока при работе оборудования.
ЩУ представляет собой металлический ящик с очень слабой защитой от внешних воздействий. Поэтому выбор места установки очень важен. Не подходят места с повышенной влажностью и запылённостью. Излишне труднодоступные и плохо вентилируемые места будут затруднять охлаждение инвертора. Если есть опасность доступа посторонних лиц в ЩУ, то можно дополнительно установить решётку, закрывающуюся на замок.
Клеммы всех преобразователей частоты бренда PROSTAR размечаются одинаково. Однофазные приборы объединяют входные зажимы в группу «Пауэр», имеют обозначение «L1» и «N». Выходные – «Mотор» и «U», «V», «W» или «T1», «T2», «T3». Присутствуют также клеммы для подключения тормозного резистора «PR». Они используются, чтобы двигатель плавно останавливался после отключения питания.
Подключение трехфазного двигателя может осуществляться звездой, тогда у него на обмотках 220 В, так и треугольником, с обмотками под напряжением 380 В. При использовании «однофазника» применяется схема «звезда», как наименее нагруженная по току во время пуска. Подключение «треугольником» для однофазной схемы нежелательно, т.к. будут отказывать установленные в РЩ предохранители или срабатывать автоматы.
Подключение дистанционного управления.
Клавиши «Вперёд», «Назад» и «Стоп» на приборной панели инвертора обеспечивают управление электродвигателем.

Рис. №1. Внешний вид пульта управления преобразователя частоты PROSTAR
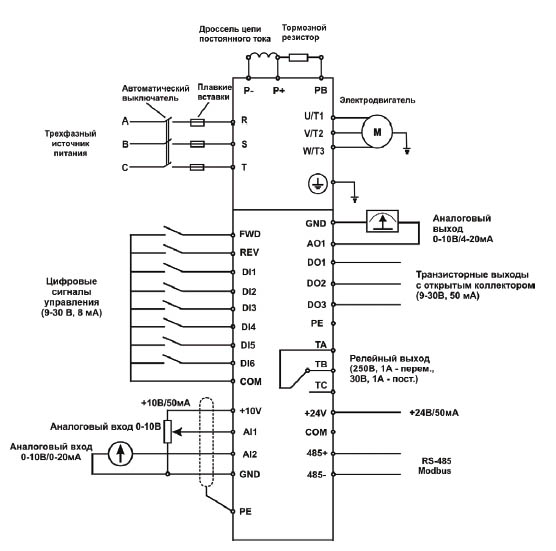
Классическое управление подразумевает необходимость постоянного доступа к ШУ, но есть возможность подключить выносной пульт управления, который можно разместить в удобном для оператора месте. Ниже представлена принципиальная схема с указанием клемм, через которые подобное подключение производится.

Рис. №2. Клеммы управления преобразователем частоты PROSTAR

Рис. №3. Схема подключения инвертора «PROSTAR»
Настройка и пробное включение.
Последовательность настройки очень проста: нажимаем и удерживаем клавишу «SET», затем поворотным колёсиком (верньером) устанавливаем частоту напряжения в сети.
Включение осуществляется по следующей схеме:
- проверить правильность всех соединений по схеме;
- подать питание через включение автомата. При этом на частотнике должны загореться световые индикаторы;
- нажать клавишу «SET»;
- повернуть потенциометр по часовой стрелке. При этом двигатель запускается;
- проверить реверс, нажать клавишу «REV».
Возможна ошибка подключения и двигатель вращается не в ту сторону. Для исправления нужно просто поменять местами два фазных провода на выходных клеммах.