Каталог продукции
Редукторы цилиндрические одноступенчатые 1ЦУ-160
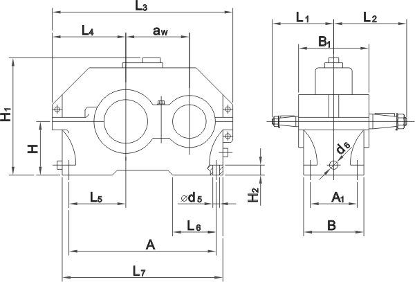
Габаритные и присоединительные размеры


РИС 1. Габаритные и присоединительные размеры ЦУ100 - ЦУ250
| Типоразмер редуктора | аw | А | A1 | В | B1 | H | H1 | H2 | L1 | L2 | L3 | L4 | L5 | L6 | |
|---|---|---|---|---|---|---|---|---|---|---|---|---|---|---|---|
| ЦУ-160 | 160 | 355 | 125 | 175 | 185 | 170 | 335 | 28 | 218 | 218 | 475 | 195 | 136 | 125 | |
| Типоразмер редуктора | L7 | b1 | b2 | d1 | d2 | d3 | d4 | d5 | d6 | d7 | d8 | h1 | h2 |
|---|---|---|---|---|---|---|---|---|---|---|---|---|---|
| ЦУ-160 | 412 | 14 | 16 | 45 | 55 | М30х2,0 | МЗ6х3,0 | 24 | M24x1,5 | 63 | 75 | 9 | 10 |

Варианты сборки редукторов типа 1ЦУ
| Типоразмер редуктора | l1 | l2 | l3 | l4 | t1 | t2 |
|---|---|---|---|---|---|---|
| ЦУ-160 | 82 | 82 | 110 | 110 | 5,5 | 6,0 |
| Типоразмер редуктора | Номинальные передаточные числа | |||||
|---|---|---|---|---|---|---|
| 2 | 2,5 | 3,15 | 4 | 5 | 6,3 | |
| ЦУ-160 | Не лимитируется | |||||
Термическая мощность, кВт.
Технические характеристики редукторов типа ЦУ160
| Типоразмер редуктора | Номинальный вращающий момент на выходном валу Мт , Н*м | Допускаемая радиальная нагрузка, Н | Объем заливаемого масла, л | Масса кг | |
|---|---|---|---|---|---|
| на входном валу Fвх | на выходном валу Fвых | ||||
| ЦУ-160 | 1000 | 1000 | 4000 | 2 | 75 |
Пример условного обозначения при заказе:
Редуктор 1ЦУ-160-4-12K У2:
Цилиндрический одноступенчатый редуктор с межосевым расстоянием тихоходной ступени 160 мм, номинальным передаточным числом 4, вариантом сборки 12, коническим концом тихоходного вала K, климатическим исполнением У и категорией размещения 2.
